仕様・外観
電動ダイヤフラムポンプ EDSシリーズ
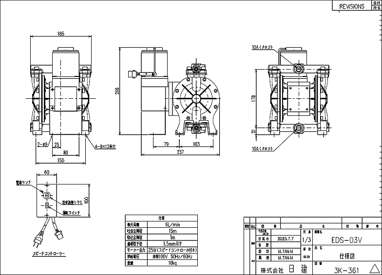
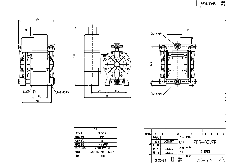
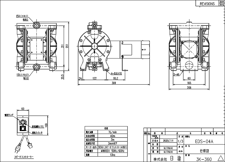
| 型式 | EDS-15 L/H | EDS-32 L/H | EDS-50 L/H | EDS-03V | EDS-03VEP | EDS-04A |
|---|---|---|---|---|---|---|
| 最大流量(L/min) | 12.8 / 12.8 | 48 / 48 | 162 / 162 | 6 | 7 | |
| 吐出全揚程(m) | 40 / 70 | 40 / 70 | 40 / 70 | 15 | 40 | |
| 出力(kW) | 0.55 / 0.75 | 1.5 / 2.2 | 2.2 / 3.0 | 25 | 90 | |
| 口径 | 15A | 32A | 50A | 10A | 15A | |
| 供給電圧 | 3×200/220V-60Hz | AC100V-50/60Hz | 3×200V-50/60Hz (安全増防爆型) |
AC100V-50/60Hz | ||
| コントロールユニット | 無し | 無し | 無し | 有り | 無し | 有り |
| インバーター制御 | 有り | 有り | 有り | 無し | 有り | 無し |
| ランニングコスト | 当社エアー式ダイヤフラムポンプに比べ、25%~60%に低減 | |||||
| CO2排出量 | 当社エアー式ダイヤフラムポンプに比べ、25%~60%低減 | |||||
| 仕様書 | ||||||
※表を横にスライドすることができます。
- 必要流量の1.5倍を目安にポンプの選定を行ってください。
- 流量調整は、インバーターをご使用ください
- 吐出配管の中のバルブなどの流量制御は行わないで下さい。
ダイヤフラムポンプの性能曲線
電動ダイヤフラムポンプ(EDS-15 L/H)の性能曲線

電動ダイヤフラムポンプ(EDS-32 L/H)の性能曲線

電動ダイヤフラムポンプ(EDS-50 L/H)の性能曲線

電動ダイヤフラムポンプ(EDS-03V/VEP)の性能曲線

電動ダイヤフラムポンプ(EDS-04A)の性能曲線

料金
| 品番 | 料金 |
|---|---|
| EDS-15L 電動ダイヤフラムポンプ | オープン価格 |
| EDS-15H 電動ダイヤフラムポンプ | オープン価格 |
| EDS-32L 電動ダイヤフラムポンプ | オープン価格 |
| EDS-32H 電動ダイヤフラムポンプ | オープン価格 |
| EDS-50L 電動ダイヤフラムポンプ | オープン価格 |
| EDS-50H 電動ダイヤフラムポンプ | オープン価格 |
| EDS-03V 電動ダイヤフラムポンプ | オープン価格 |
| EDS-03VEP 電動ダイヤフラムポンプ | オープン価格 |
| EDS-04A 電動ダイヤフラムポンプ | オープン価格 |








